銷售熱線
技術熱線:0576-85183757

銷售電話:0576-85182037
技術電話:0576-85183757
傳真號碼:0576-85182843
聯系郵箱:haihong@cn-hydraulic.com
公司地址:浙江省臨海市江南街道金嶺路199號
產品特點
6通多路閥;
緊湊的片式結構,可針對不同機器的需要組合相應的控制閥組;
控制方式:手動、液控、電控;
回路形式:并聯回路;
負載敏感控制;
多路閥結構緊湊壓力損失小;
通過一次二次溢流閥保護系統;
微動特性好,操控準確度高;
起升雙泵合流工作,傾斜或屬具單泵工作,提高了效率,降低整車溫度。
應用領域
應用于叉車、物流搬運機械等工程機械。
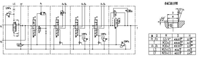
技術參數(對超出下述參數的應用場合,請與我公司聯系)
|
概述 |
|
|
通徑 |
18 mm |
|
公稱壓力 |
200 bar |
|
最大壓力 |
230 bar |
|
公稱流量 |
120 L/min |
|
最大流量 |
160 L/min |
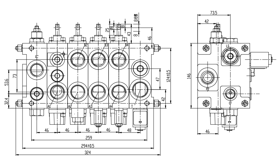
外形安裝尺寸及原理圖
應用說明
該系列多路閥提供一種合流起升負載敏感多路閥,該閥匹配雙泵結構,通過內部反饋油道控制卸荷單向閥來控制其中一個泵的工作和卸荷,當需要起升動作時,反饋油關閉卸荷單向閥,雙泵合流去起升;當需要傾斜或屬具工作時,反饋油打開卸荷單向閥,其中一個泵卸荷,這樣能有效的提高效率,降低整車溫度。另外該閥采用負載敏感設計,能實現輸出流量與閥桿的行程變化的匹配,操控性能大大提高。
相關產品
銷售熱線:0576-85182037
友情鏈接: 多路閥系列 先導閥系列 制動閥系列 操縱閥系列 農機閥系列 轉向閥系列 Sitemap TXT Sitemap XML 網站地圖

微信官網

手機官網