銷售熱線
技術熱線:0576-85183757


銷售電話:0576-85182037
技術電話:0576-85183757
傳真號碼:0576-85182843
聯系郵箱:haihong@cn-hydraulic.com
公司地址:浙江省臨海市江南街道金嶺路199號
特點
D32/YD32/SD32多路換向閥;
控制方式:手控、液控;
密封性能好;
結構緊湊、壓力損失小;
整體式結構,有兩聯和三聯可供選;
回路形式:串并聯回路;
溢流閥、過載閥等采用插裝式結構;
通用性好,便于維修。
應用領域
ZL40、50、60裝載機、叉裝機、清掃車等其它大、中型工程機械工作裝置液壓系統。
液壓原理圖
技術參數(對超出下述參數的應用場合,請與我公司聯系)
|
概述 |
|
|
油口連接方式 |
法蘭連接 |
|
控制方式 |
壓力控制 |
|
安裝方式 |
見外形圖 |
|
通徑 |
32 |
|
液壓 |
|
|
公稱流量L/min |
300 |
|
公稱壓力bar |
200 |
|
允許最大回油背壓bar |
15 |
|
先導控制壓力bar |
30 |
|
先導控制曲線bar |
4~25 |
|
液壓油溫度范圍℃ |
-20~+100 |
|
粘度范圍m2/s |
10~460 |
|
油液允許的污染等級 |
-/19/16 (ISO4406:1999) |
|
機械 |
|
|
重量 |
|
|
兩聯閥 kg |
65 |
|
三聯閥 kg |
92 |
|
閥芯允許的最大操作力(手動)N |
250 |
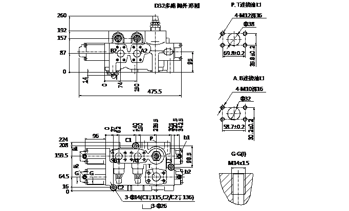
產品外形圖
相關產品
銷售熱線:0576-85182037
友情鏈接: 多路閥系列 先導閥系列 制動閥系列 操縱閥系列 農機閥系列 轉向閥系列 Sitemap TXT Sitemap XML 網站地圖

微信官網

手機官網